Zárbetét, zár és lakat webáruház

Biztonságot szállítunk 2009 óta

Munkanapon 08:00-15:30-ig    +3620 255 2646

Kategóriák
Zárbetét, zár és lakat webáruház

Biztonságot szállítunk 2009 óta

Munkanapon 08:00-15:30-ig    +3620 255 2646

  • Kategóriák
    • Kedvezmények, újdonságok
    • Zárbetét
    • Zár - hagyományos
    • Zár - többpontos
    • Zár - speciális
    • Okos ajtókilincs, zár
    • Lakat, lakatpánt
    • Ajtó alkatrész
    • Ablak alkatrész
    • Kapu alkatrész
    • Kulcs és kellékei
    • Kéziszerszám
    • Gép és tartozék
    • Szerszámtárolás
    • Műhelyberendezés
    • Yato Konyhatechnika
    • Munkavédelem
    • Munkaruházat
    • Kötőelem, vasáru
    • Szerelési anyagok, kellékek
    • Egyéb termékek
  • Információk
  • Online ügyintézés
  • Zár & zárbetét blog
  • Zárbetét videók
  • Zárrendszer
  • Plusz szolgáltatások
  • Miért minket válasszon?
titan k1 vdc felső zárbetét
Titan K1 VDC
Online ár: 5 080 Ft
  1. Felsőzár betét
  1. Zárbetét
  2. Felsőzár betét

Titan K1 VDC

5
Cikkszám: 
K1VDC
titan k1 vdc felső zárbetét
titan k1 vdc felső zárbetét
titan k1 vdc felső zárbetét
titan k1 vdc felső zárbetét
Zárbetét videó

Raktáron
Online ár: 5 080 Ft
Várható szállítás :
2026.04.21
Szállítási díjak:
Futár, GLS csomagpont
0 - 5.000 - 2.390 Ft
5.001 - 50.000 - 1.990 Ft
50.000 felett - 990 Ft
További lehetőségek
Miért minket válasszon? :

Cégünk és csapatunk bemutatása, katt ide.

Azonos zárlattal :

Elérhető, részletek itt

Főkulcsos rendszerben :

Elérhető, részletek itt

Vásárlási segédlet:

Zárbetét tudásbázis

Plusz szolgáltatások :

Részletek itt

Kulcsok száma:
3 db
Kulcsmásolás védelem :
Nem
Csapok száma :
5 aktív
Garancia:
1 év
Változat Változat:
Normál
Gombos
Vészfunkciós
Fogaskerekes
Félbetét
Felsőzár betét
db
Teljes mennyiség
5 db
Online rendelés esetén elérhető mennyiség
Ebből azonnal átvehető üzletünkben
5 db
4400 Nyíregyháza, Simai út 9.

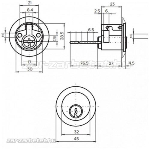
A K1 egy fogazott kulcsos felsőzár betét, amelyet belülről gombos másodzárakban alkalmaznak, használható bármilyen felsőzárhoz. Négyszögletes tengelyen keresztül működteti az ajtó belső oldalára rögzített zárat. A tengely hossza méretre szabható az ajtó vastagságának megfelelően.

A csomagolás tartalma:

  • zárbetét (tengellyel egybeépítve)
  • külső díszítő gyűrű
  • 2 db M5 csavar
  • 3 db kulcs

Méretei:

Titan K1 felsőzár betét méretezése

Csomagajánlatok
Termékleírás
Termékadatok, jellemzők
Gyártó:
Titan
Kódkártya (utánrendeléshez) :
Nem
Fúrásvédelem :
Nem
Maghúzás védelem :
Nem
Bumping key védelem :
Nem
Manipuláció elleni védelem :
Igen
MABISZ minősítés:
Igen
EAN:
3838923565729
Gyártó:
Titan
Vélemények
Átlagos értékelés:
5 (1 vélemény)
Még nem írt véleményt a termékről?
Véleményt írok
(1)
(0)
(0)
(0)
(0)
Pelenczei Norbert
2024.09.18
Igazolt vásárlás
Minden rendben van a zárral. Nekem az volt a lényeg, hogy vészfunkciós zárbetét legyen, ez annak a követelménynek megfelel.
Előnyök: Jó ár/érték arány, hamar megérkezett, azt tudja ami le van írva
Vásárlói fiók
  • Belépés
  • Regisztráció
  • Profilom
  • Kosár
Információk
  • Általános szerződési feltételek
  • Adatkezelési tájékoztató
  • Fizetés
  • Szállítás
  • Elérhetőségek
Webzár KFT
  • 4400 Nyíregyháza, Simai út 9.
  • +3620/255-2646
  • info@zardiszkont.hu
  • Zárdiszkont Facebook oldal

  • Youtube oldal

Egyéb információk
  • Hírek
  • Elzett MultiModul
  • Gyakori kérdések
  • Videóink zár és zárbetét témában
  • Miért minket válasszon?
Árukereső.hu
Árukereső, a hiteles vásárlási kalauz
  • Kedvezmények, újdonságok
  • Zárbetét
  • Zár - hagyományos
  • Zár - többpontos
  • Zár - speciális
  • Okos ajtókilincs, zár
  • Lakat, lakatpánt
  • Ajtó alkatrész
  • Ablak alkatrész
  • Kapu alkatrész
  • Kulcs és kellékei
  • Kéziszerszám
  • Gép és tartozék
  • Szerszámtárolás
  • Műhelyberendezés
  • Yato Konyhatechnika
  • Munkavédelem
  • Munkaruházat
  • Kötőelem, vasáru
  • Szerelési anyagok, kellékek
  • Egyéb termékek
  • Információk
  • Online ügyintézés
  • Zár & zárbetét blog
  • Zárbetét videók
  • Zárrendszer
  • Plusz szolgáltatások
  • Miért minket válasszon?
Belépés
Regisztráció
Adatkezelési beállítások
Weboldalunk az alapvető működéshez szükséges cookie-kat használ. Szélesebb körű funkcionalitáshoz (marketing, statisztika, személyre szabás) egyéb cookie-kat engedélyezhet. A marketing cookie-kat a hirdetések személyre szabásához használjuk fel. Részletesebb információkat az Adatkezelési tájékoztatóban talál.
A működéshez szükséges cookie-k döntő fontosságúak a weboldal alapvető funkciói szempontjából, és a weboldal ezek nélkül nem fog megfelelően működni. Ezek a sütik nem tárolnak személyazonosításra alkalmas adatokat.
A marketing cookie-kat a látogatók weboldal-tevékenységének nyomon követésére használjuk. A cél az, hogy releváns hirdetéseket tegyünk közzé az egyéni felhasználók számára (pl. Google Ads, Facebook Ads), valamint aktivitásra buzdítsuk őket, ez pedig még értékesebbé teszi weboldalunkat.
Az adatok névtelen formában való gyűjtésén és jelentésén keresztül a statisztikai cookie-k segítenek a weboldal tulajdonosának abban, hogy megértse, hogyan lépnek interakcióba a látogatók a weboldallal.
A személyre szabáshoz használt cookie-k segítségével olyan információkat tudunk megjegyezni, amelyek megváltoztatják a weboldal magatartását, illetve kinézetét.